Паспорт безопасности для торгово-офисного здания 13635,1 кв.м.

Паспорт безопасности для торгово-офисного здания 13635,1 кв.м.

11.03.2025
Московская область, г. Сергиев Посад

Клиент

Тип объекта: Многофункциональное торгово-офисное здание

Этажность: 6 надземных этажей + 1 подземный (цокольный этаж — паркинг).

Общая площадь: 13 635,1 кв. м.

Протяженность периметра: 205 м.

Местоположение: Зона исторической застройки, центр г. Сергиев Посад.

Функциональное назначение помещений: Смешанное. На цокольном этаже — автостоянка. Вышерасположенные этажи занимают офисные помещения, организации сферы услуг (салоны красоты, нотариат), финансовые учреждения (банк), туристические агентства и образовательные организации (детские студии, языковые курсы). 

Задача проекта

Разработка и согласование паспорта безопасности в соответствии с Постановлением Правительства Российской Федерации от 19.10.2017 № 1273 "Об утверждении требований к антитеррористической защищенности торговых объектов (территорий) и формы паспорта безопасности торгового объекта (территории)" 


Проделанные работы

  • Разработка соглашения между правообладателем и управляющей компанией

  • Разработка акта категорирования

  • Разработка пакета организационно-распорядительных документов по АТЗ

  • Проведение категорирования

  • Разработка и согласование паспорта безопасности в четырех ведомствах

Работа над проектом

В работе над данным проектом требовалось учесть следующие моменты:

1. Правообладатель и управляющий объекта — разные юридические лица.

Чтобы паспорт безопасности имел юридическую силу, мы подготовили два документа:

  • дополнительное соглашение к договору аренды, которым управляющая компания официально принимает на себя функции по обеспечению АТЗ на объекте;

  • отдельное соглашение между правообладателем и управляющим о назначении лица, уполномоченного на разработку, согласование и утверждение паспорта безопасности.

2. Нужно было проверить исходные данные об объекте и составить полную характеристику территории.

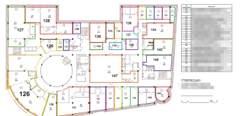
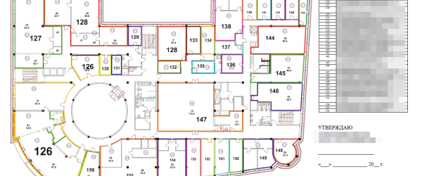
3. На объекте отсутствовали схемы инженерных коммуникаций и поэтажный план здания.

Мы разработали схемы коммуникаций торгового объекта: водоснабжения, электроснабжения, теплоснабжения, а также план-схему с привязкой к местности и план расположения арендаторов.

4. На объекте не была разработана документация по АТЗ.

Мы разработали полный пакет организационно-распорядительной документации по АТЗ на торговом объекте. Дополнительно был проведен мониторинг количества людей на торговом объекте.

5. Планы эвакуации были разработаны по старому ГОСТу.

Мы оказали помощь в разработке планов эвакуации по новому ГОСТу.

6. Мы участвовали в комиссии по категорированию объекта.

7. Ответственному лицу требовалось обучение.

Мы провели обучение по программе профессиональной переподготовки "Специалист по обеспечению антитеррористической защищенности объекта (территории)" и повышения квалификации по программе "Работа с документами, содержащими служебную информацию ограниченного распространения". Документы об обучении предоставили согласующим органам.

Сайфутдинова Е.Г.


Результат

Паспорт согласован без замечаний во всех согласующих органах:

  • в отделе УФСБ России по г. Москва и Московской области

  • в филиале ФГКУ «УВО ВНГ России по Московской области»

  • в ГУ МЧС России по Московской области

  • в Министерстве сельского хозяйства и продовольствия Московской области

Объекту присвоена 2 категория.

Дата окончательного согласования и утверждения: 11 марта 2025 г.

Руководитель проекта

Елена Сайфутдинова

Эксперт в сфере антитеррористической защищенности

Специалист по охране труда

Старший специалист-разработчик

Руководитель учебно-методического направления

Фотогалерея проекта

Напишите нам

Пожалуйста, заполните поля ниже, и мы свяжемся с вами в ближайшее время!
Оставьте заявку — обсудим ваш проект уже сегодня!